orovajewels.com
HOME
About
Contact
Disclaimer
Privacy
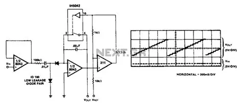
Counter Circuit Explanation
Oct 13, 2025
by orovajewels.com
104
views